jc聚彩

XNT型湿式脱硫除尘器|XST型湿式脱硫除尘器-XNT型XST型湿式脱硫除尘器-宏大除尘设备

||资讯| 网站地图
宏大除尘设备,除尘器,除尘配件
热门点击: 布袋除尘器|气箱除尘器|脉冲除尘器|旋风除尘器|单机除尘器|行业除尘器|除尘器配件|除尘布袋|
XNT型湿式脱硫除尘器-XST型湿式脱硫除尘器
XNT型XST型湿式脱硫除尘器
XNT型湿式脱硫除尘器/XST型湿式脱硫除尘器壳体采用金属或陶瓷板块砌筑及金属陶瓷混合结构,确保使用寿命,XNT/XST型湿式脱硫除尘器它是各种工业,电站锅炉,尤其对煤粉,流化床等锅炉脱硫理想的技术装备。
产地:河北省>泊头市
供应商:泊头市宏大除尘设备制造有限公司
技术咨询热线:
13785759289

XNT型XST型湿式脱硫除尘器详细内容介绍information

XNT型湿式旋流强化凝聚脱硫除尘器  
        该湿式除尘器是集除尘.脱硫.自排或机械排灰及补水自控于一体的综合装置。具有操作管理方便,溶液左右除尘器内循环使用,耗水少,运行经济等优点。湿式除尘器采用中科院_新研究成果TO树脂作防腐耐磨处理,壳体采用金属或陶瓷板块砌筑及金属陶瓷混合结构,确保使用寿命,不论技术与经济上都可与麻石除尘器媲美。它是各种工业,电站锅炉,尤其对煤粉,流化床等锅炉脱硫理想的技术装备。其分割粒经小于0.5uM。
型号
烟气量m3/h
除尘效率%
烟气排放浓度
(mg/Nm3)
林格曼黑度
(级)
脱硫率(%)
阻力(Pa)
XNT-2
4500~6000
95-99
<100
<1
75-85
1000-1500
XNT-4
9000-11000
XNT-6
15000-16000
XNT-8
19000-21000
XNT-10
23000-26000
XNT-15
34500-39000
XNT-20
46000-52000
XNT-35
85000-92000
XNT-40
92000-115000
XNT-65
150000-190000

XST型旋流水浴脱硫除尘器

      在湿法冲激除尘器中,水浴除尘器是比较受欢迎的一种结构简单,造价低,便于维护管理的除尘器。此种类型已历经十五年以来的运行时间,充分证明其运行的稳定可靠,且可因地制宜用砖石或混凝土砌筑结构,适用于较小容量锅炉的烟气净化与脱硫。
为提高除尘脱硫效率,进一步对喷咀进行技术改造设计,把两项流体引旋流机制,保进了膜化与凝聚的形成,强化了鼓泡作用进一步提高了除尘与脱硫效能,该项产品取得了__。
 

型号

锅炉容量t/h

2
4
6
8
10
15
20
风量范围
m3/h
4600-6000
9000-11000
10000-13500
16000-22000
24000-28000
33000-37500
46000-54000
除尘总效率%
95-98
脱硫效率%
75-80
阻力Pa
600-800
林格曼黑度
<1
分割粒经uM
<1
水耗I/m3
0.10-0.30
XNT型湿式旋流强化凝聚脱硫除尘器 XNT型湿式旋流强化凝聚脱硫除尘器
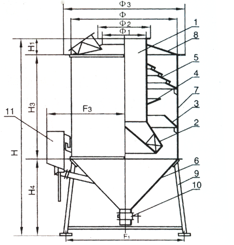
外形尺寸:
XNT型湿式旋流强化凝聚脱硫除尘器
XST型旋流水浴脱硫除尘器
XNT型湿式旋流强化凝聚脱硫除尘器
XNT型湿式旋流强化凝聚脱硫除尘器
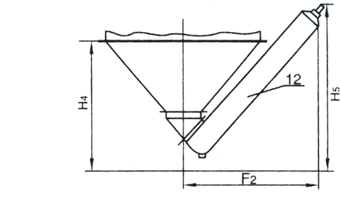
外形尺寸:
XNT型湿式旋流强化凝聚脱硫除尘器

相关产品products list

除尘布袋-布袋除尘器布袋
除尘布袋堪称袋式除尘器的心脏,除尘布袋是袋式除尘器运行过程中的关键部分,通常圆筒型滤袋垂直地悬挂在除尘器中。
DMF-T-62直通式脉冲阀-直通式电磁脉冲阀
宏大生产的DMF-T-62直通式脉冲阀阀其进出口中心为同一直线,其进气口与储气管连接、出气口与喷吹管连接,气流畅通,能提供符合要求的脉冲气流 。DMF-T-62S直通阀的特点:直通式电磁脉冲阀的构造特点是空气进出口中心线在一条直线上,脉冲阀膜片把脉冲阀分为前,直通式脉冲阀后两个气室,接通压缩空气时脉冲阀处于关闭状态,开启动作原理与直角阀相同,只是气流喷射时的流动方向。
DMF-Z-65s电磁脉冲阀-5寸直角型脉冲电磁阀
RMF-Z-65S直角式脉冲阀是2.5寸直角型脉冲电磁阀,进气口和出气口之间的夹角为90度,RMF-Z-65S直角式脉冲阀适合于储气筒和除尘器喷吹管的连接。电压可分为:AC110V/AC220V/DC24V等。
企业简介|工程实例|生产场景|公司业绩|主要客户|联系方式| 网站地图
公司名称:泊头市宏大除尘设备制造有限公司 公司地址:泊头市开发区环城东路南首1号 电话:0317-8392799 8162866 传真:0317-8392977 
手机:18931764475 网址:http://die-youxin.com 
宏大除尘设备 2014(C)版权所有 并对网站所有内容保留解释权  
网站建设:中科四方